John Broskie's Guide to Tube Circuit Analysis & Design

15 August 2018                                                                          Post 435

 

Great New Audio Toy
Ever since my Zune HD was stolen from my car two years ago, I have been looking for another personal audio device (PAD). I missed it dearly. I like to "digest" new music with headphone listening. Free from crossovers and room interactions, headphones offer a cleaner, closer view of the sonic landscape. Then, after I have digested an album with headphones, I can play the music on loudspeakers, my ears knowing what I should be hearing. It is sort of like reading the entire libretto to an opera before going to the opera.

I have been using my phone in the meantime, which does offer some nice features but not great sound, so have been listening mostly to podcasts and audio books with it, not music. I wondered if anyone made an audiophile-grade smart phone. They do, but it cost $500 and my budget was between $200 and $350. After reading gobs of reviews, many of which contradict each other, I decided to buy a Sony Walkman NW-A45 Hi-Res 16GB MP3 Player. I am so glad that I did. How glad? Less than one week after I bought it, it went on sale down from $200 to $150 and I am still happy. (I did get the screen protector and silicon case as part of the $200 purchase, so I view the $35 difference as if I had expressed-mailed it's shipping to get it a week earlier than everyone else.) In other words, I thought it was a bargain at $200; at $150, it's a steal. (I just checked Amazon and Bestbuy and the sale is off; moreover, the price went up to $219, although I did find one store selling it for $189. Possibly, Google is just messing with me, knowing that I have been doing web searches on this device they are manipulating the prices I see.)

Why my enthusiasm? It sounds great; it doubles a USB DAC that I can attach to my laptop and listen to Tidal: it hold 16G of memory and accepts a micro SD memory card (up to 512G); it does Bluetooth LDAC, but no WiFi (which I deem a feature, as my house is too full of WiFi devices as it is —soon the toilet-paper bar will beam out WiFi signals, sending you emails warning you of an impending depleted amount of tissue); it plays High-Res files, including DSD, flac, wave, and MQA; it fits in my shirt pocket; it offers gobs of DSP options; it is easy to use and its lithium battery lasts and lasts; and the Sony NW-A45 offers wonderful hand-feel and looks well-made. (No, the over $100 headphones shown above do not come with the player.)

My primary confederation was sound—everything else was secondary, otherwise I might as well keep using my phone and keep listening to podcasts. I had read a few reviewers state that the sound from this unit made their ears happy in a similar way that the Mini-Disc players had. I owned a Sony MD player 20 years ago and I loved the sound from it, particularly compared to the Apple iPod. Soon after the iPod came out, twice we held shootouts between MD and iPod and some other MP3 player, where everyone had recorded same list of songs in the highest fidelity settings possible and we listened away, critically. Not once did I prefer the sound from Apple's iPod, even though I felt that I should nonetheless get one as everyone else owned one. Then Apple came out with the iPod Touch, which I thought might be worth a try; I gave it a listen and I found the background noise totally unacceptable; later iterations did fix this problem and I did end up buying one but only so I could give it as gift.

Say what you will about Sony, but I am convinced that more music-lovers work for Sony than all the other big Japanese electronics firms put together. Can you imagine a company like NEC coming out with the SACD? I cannot. Of course, Sony is the only one player in this crowded field of competitors. They had once owned the personal-music-player market, but fumbled their lead away, probably because excessive DRM concerns—Sony does own many recording labels (over ten, such as Columbia and RCA) after all.

The Sony NW-A45 can play DSD and Hi-Res flac files. It is also compatible with MQA files, but I am not sure that means that it can unfold them or just play them as 16-bit files. Here is the complete list from Sony:

MP3 ( .mp3)
32 kbps - 320 kbps (Supports variable bit rate (VBR)) / 32 kHz, 44.1 kHz, 48 kHz

WMA ( .wma)
32 kbps - 192 kbps (Supports variable bit rate (VBR)) / 44.1 kHz

FLAC ( .flac)
16 bit, 24 bit / 8 kHz - 192 kHz

WAV ( .wav)
16 bit, 24 bit, 32 bit (Float/Integer) / 8 kHz - 192 kHz

AAC ( .mp4, .m4a, .3gp)
16 kbps - 320 kbps / 8 kHz - 48 kHz

HE-AAC ( .mp4, .m4a, .3gp)
32 kbps - 144 kbps / 8 kHz - 48 kHz

Apple Lossless ( .mp4, .m4a)
16 bit, 24 bit / 8 kHz - 192 kHz

AIFF ( .aif, .aiff, .afc, .aifc)
16 bit, 24 bit, 32 bit (Float/Integer) / 8 kHz - 192 kHz

DSD ( .dsf, .dff)
1 bit / 2.8224 MHz, 5.6448 MHz, 11.2896 MHz

*Audio that is converted to Linear PCM is output.

APE ( .ape)
8 bit , 16 bit , 24 bit / 8 kHz - 192 kHz (Fast, Normal, High)

MQA ( .mqa.flac)
Supported

This player is small, only 3.8in tall and 2.2in wide and 0.4in thick and weighs only 3.5 oz. It holds a TFT color display with white LED backlight touch screen (480 by 800 resolution) and side buttons. The instructions were minimal and international, which only made them more confusing, alas. Fortunately, the device is easy to use, once you get use to its swipe up, down, left, and right. I discovered that continued swiping right brought up additional options. But let's be honest; we live in a world of YouTube, so few would ever read any instructions, as they would go straight to user created videos. One feature I have longed for is and which the player offers is Recently Added Music. Let's say you have already added several hundred albums and just added a few new albums; it's pain to hunt them down; instead, I can just select the Recent folder and they all show up. Wonderful.

The NW-A45's six-band equalizer comes with seven preset options (Rock, Pop, Jazz, Classical, EDM, R&B HIPHOP, and Relax) and two user-definable presets. Of course, you can make any adjustment you wish, but you can only save two of them. I would have preferred several more. The two I made were tilt equalizations, centered at 600Hz, with one tilting up at high-frequencies, the other at bass frequencies. in other words, this mimics exactly my own electrical Tilt-Control. I love it. Why?

I own three different sets of earbud headphones and three over-the-head headphones. Long ago, I discovered that I could play rock and blues on my Sennheiser HD650s with an upward tilt and classical and jazz music with my Grado headphones with downward tilt. The same holds true with my earbud headphones, as each offers its own preferred music genre; but with the tilt equalization, each can play a wider variety of music well.

In addition to the equalizer, the NW-A45 offers some interesting DSD effects, such as faux room acoustic replication (Studio, Club, Concert Hall, and Matrix) and a compressor, which would come in handy in a noisy environment, DC Phase Linearizer, which apparently is meant to make the bass sound more like that from speakers driven by power amplifiers, and DSEE-HX. What's that? Here is what Sony has to say about it:

How Does DSEE HX™ Work?
While lossy music files (like MP3s) are great for saving space on your device, they are missing vital information from the song's original recording file. On the other hand, High-Resolution Audio file formats (such as FLAC and WAV) are created with lossless compression that allows the original data from a recording to be reconstructed almost perfectly by a class of algorithms. DSEE HX™ Technology lies somewhere in between. Here's how:

Sony DSEE HX™ software upscales your existing sound source (those lossy MP3s or AACs) to near high-resolution sound quality. This means that the technology injects more life into your music by upscaling compressed files. So it restores the subtleties of the original song recording and simulates the sound of live performance.

I tried it and I found that it actually works, but there is a paradox. The best recordings sounded better with it, but the poor recordings didn't.

If you use two models of earbud headphones from Sony, IER-NW500N and MDR-NW750N, the player can do external noise canceling, which Sony trademarks with Clear Phase™. Many reviewers complained that this feature should have been available with any headphone that held small microphones. I must disagree with them and agree with Sony. In order for this to work well (and the key word was "well"), the circuitry and software need know the microphone's and headphone's frequency response and phase plots. Actually, this raises an interesting scenario.

Imagine if each maker of high-quality headphones published a data file that held the the headphone's frequency and phase response. Then the PAD (personal audio device) could use DSP to correct the headphone's sonic aberrations. In fact, it could mimic other headphone's profiles, so you could make the Sony headphones sound like AKG headphones.

Okay, back to reality. I have been using my laptop to stream Tidal or Plex (which accesses my music hard-drive in another room through WiFi) to a Google audio Chromecast puck, which then feeds a high-quality solid-state headphone amplifier. Why? The laptops own internal amplifier sounds poor and this elaborate setup overcomes this limitation. Well, with the NW-A45 I have a USB DAC and headphone amplifier in one. I hook it up to the laptop through a USB cable and I am happy. No extra power supplies or cables, just pure battery power throughout. I love it. And I could bypass the laptop and use one of my many tube-based headphone amplifiers with the NW-A45 alone, playing music from its store of music files. If you do use Tidal, be sure to set Tidal's streaming options to "Use Exclusive Mode" and "Passthrough MQA." In addition, do not use any DSP effects and be sure that Windows sends it sound output to the Sony DAC. I did try a DSD music file and it sounded fabulous; now, if only I could rip the SACD content off of my many CD/SACD hybrid disks.

By the way, the NW-A45 has a built-in FM radio, which actually does come in handy on occasion. I have yet to run my stereo system with the Sony NW-A45 as its USB DAC—soon.

Okay, what don't I like about the NW-A45? Many complain about the desktop software that Sony provides, Music Center, and with good cause, as Sony just doesn't do software well. Indeed, what every maker of music software doesn't seem to get is that audio comes in two distinct categories: music and spoken word. The latter further subdivides into biographies, essays, journalism reports, lectures, memoirs, novels, podcasts, poems, radio plays, short stories… And each can further subdivide into sub-genres. For example, novels sort into Action-Adventure, Erotica, Family Saga, Fantasy, Historical, Horror, Literary Fiction, Magic Realism, Mystery, Romance, Science Fiction, Speculative Fiction, Suspense-Thriller, Women’s Fiction, and Young Adult. And each of these genres further divides into many sub-genres. You get the point, division within division.

Consider rock music; I think I could come up with dozens of sub-genres, each of which would further divide into sub-genres.In contrast, classical music is extrinsically different from, to, than all other music, as the composer is paramount and its eras encompasses huge chunks of time, whereas rock music can safely be sorted by decades. Yet, every maker of music software assumes that you don't own more than a few dozen CDs. Last time I counted, I owned over 2,000. I have met a few that own ten times as many.

Nonetheless, I figured out how to make the Music Center software work. I treated the NW-A45 as an external USB hard-drive and hooked it up to my computer. I then transferred over a bunch of music files. Once I was done, I brought up the Music Center application and "transferred" the music from the NW-A45 to my computer—but not really, as all the music remains on the NW-A45. What do get transferred are the file details, not the actual music files. The Music Center then finds the artwork and album information and updates the NW-A45.

Many have complained about the USB cable that ends in a 22-pin connection terminal; in other words, a non-standard USB cable, which if lost or damaged will require some effort to replace. Okay, I get it, but at the same time I am sure that Sony (and others) makes clocks, power amplifiers, powered loudspeaker that hold a matching docking plug and which may offer remote control features. In other words, this is not a big deal to me.

For me, a bigger problem is that the NW-A45 doesn't seem to have a concept of audio books and what they require, such as a bookmark that remembers where you left off when you return to it a week later. The NW-A45 does offer provisions for language study content. Where you can do quick repeats and alter the playback speed. At 62, I don't plan on doing any more foreign language study—but then who knows. I do plan on exploiting these features, however, in the NW-A45 to playback podcasts. We can all read and listen faster than most can speak. The NW-A4 can speed up the playback, while keeping the pitch the same, so you do not end up hearing a squeaking voice. Conversely, if the normal speech is too fast, you can slow it down and the NW-A4 will increase the pitch. (If only we had a "um" and "Superfluous like" eliminator.) One super simple addition would be to display the time on the screen, which could be user enabled or disabled.

In short, the Sony NW-A45 meets and exceeds my expectations. A job well done.

 

 

MQA Debate
Yes, MQA is a hot topic, with many polar opposite opinions. Here is my five-cents worth. I like the sound, although I could complain about its overly likable quality, as truly beautiful faces do not require gobs of makeup. Certainly, it triumphs over plain-Jane 16-bit CDs, sounding very high-res, but with relatively small file sizes.

However, I do not like audio standards that belong to one company or individual. Many complain that MQA is just a get-rich scheme by Meridian Audio and Bob Stuart. Trust me, very few get rich by any high-end audio scheme. I doubt that more than one in thousand people have ever heard of MQA. I would love to see Meridian and Stuart proclaim that their royalties will only continue for another three years, thereafter the MQA solution will become an open-source free technique. This way they would have been compensated for their investment of time and brilliance, while the standard could become widespread and free, both in cost and in terms of future development.

Here is my prediction: MQA is the rightful heir to the MP3's user base; it is what most people should eventually use (whether they end up doing so is uncertain); it is not true lossless or true high resolution; it wasn't really meant to be, as it is closer to sonic makeup. And much like Mitch (Karl Malden) in the movie, A Streetcar Named Desire—at first falling in love with Blanche, but with time and brighter lights, he sees her true age and true appearance—I am sure that five years from now many of us will be as embarrassed by our falling in love with MQA as the first reviewers of the first CD players 1982 were later embarrassed by their profession of love for the perfect sound they heard or they thought they heard.

MQA is, in my supremely humble opinion, the wrong solution at the right time. When everyone has a fiber-optic link to the world of digital data, streaming DSD files will make sense; today, it doesn't. Today, streaming MQA files is possible.

Okay, stepping off soap box mode is now engaged.

 

 

Simplest Kick-Butt Systems
Between a passive line-stage and an active line-stage amplifier with gain, falls the active buffer line-stage that develops no gain. Sometimes less is, indeed, less. In theory, a passive line-stage should kick butt, but they seldom do, sounding often thin and feeble, cold and mechanical. I have found that even the simplest active line-stage buffer sounds better than passive. I have built two-FET buffers and single-triode buffers, both of which have sounded great.

Continuing from my last post, where I pointed out the problems of multiple grounds, the signal source's ground, the line-stage amplifier's ground, the power amplifier's ground, and possibly the house ground, how do we undo the ground problem between the signal source ground and the active buffer ground? Neither of the circuit shown before are immune, if they share a common power supply and, thus, a common ground.

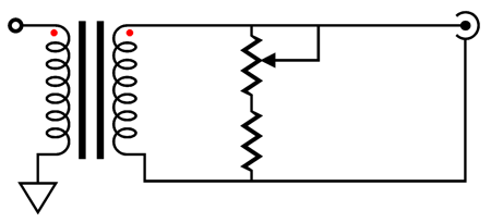
One workaround is that we could add an input signal transformer.

The transformer's inclusion breaks the ground connection at the buffer's input and it allows us to convert balanced input signal into unbalanced output signal. Moreover, it allows us to easily flip the phase.

Another workaround would be to use my differential input for unbalanced input signals, where we place a 10-ohm resistor in between each channel of the signal source and the buffer's ground.

This variation on the ACF uses the bottom triode to react to the any signal present on the ground connection to the signal source. What signal, you may wonder. If any signal does exist on this ground connection it will also exist on the signal hot, so it will be treated as common-mode signal and the totem-pole cathode follower will ignore it, passing only the signal that exists deferentially. Because the bottom triode no longer functions as it did in an ACF circuit, where it would have nulled power-supply noise at the output, we need to provide a clean B+ voltage to the buffer. (By the way, the higher the triode's amplification factor, the less power-supply noise that will emerge from the output.) Alternatively, we could use my Unbalancer-Two in place of the totem-pole cathode follower.

Either input can be used exclusively. If the input signal is sent to the bottom input triode, the output signal will be inverted in phase, but with roughly the same unity gain. This means that we could add a Select-Phase switch after the signal selector switch.

After leaving the phase switch, the signal would encounter the volume potentiometer or stepped attenuator. Now, let's look at the circuit with some typical part values:

The input 6DJ8 draws 5mA, while the output 6DJ8 draws 10mA, which explains the differing cathode resistor values. Note the small injection of power-supply noise into bottom output triode's grid. Also note the two separate output coupling capacitors. We can select one or the other or place both in parallel with each other.

       

I did actually try this setup shown above, but without the bottom input coupling capacitors, and I liked the results. Recently I wondered, however, about the input coupling capacitor used by the top input triode. Did this capacitor need to find a balancing complement at the bottom input triode? I preformed some SPICE simulation and the result was yes.

Note how the common-mode rejection ratio (CMRR) extended deeper into the low frequencies with the extra coupling capacitor.

One key assumption here is the each input RCA jack will get its own isolated step washers, so its ground does not attach to the chassis, as we must keep each channel's grounds separate.

Now, the remaining potential problem is the power amplifier and grounding. If two mono power amplifiers are driven, we are home-free, assuming that they do not connect their signal grounds directly to the house ground. What if a stereo power amplifier is being driven? The only workaround, other than modifying the amplifier to accept differential input signals, is to employ a signal output transformer. If we wish to reduce the gain by -6dB, we can use a 2:1 step-down transformer, which would quarter the output impedance.

On the other hand, a unity-gain buffer really shouldn't be throwing away any gain; besides, the 1:1 isolation signal transformers offer far better performance. Each output signal transformer has its optimal load resistance. What if it is 10k and your stereo power amplifier's input resistance is 100k or 47k or 33k or 20k? One workaround would be to place shunting resistor on the transformer's secondary that would, in parallel with, the amplifier input impedance equal 10k. With a 100k amplifier impedance, we would use an 11k shunting resistor; with 47k, 12.7k; and with 20k, 20k. A rotary switch with six steps and two poles could held within the active buffer line-stage.

Or we could use a dual 10k linear potentiometer and two 11k resistors, which we would solder in series with the potentiometers. At one extreme, we get 11k of shunting resistance; at the other, 21k.

What about headphone amplifiers? Most external headphone amplifiers are basically small stereo power amplifiers, where both channels share a common ground. If they are balanced designs, they could hold two separate power supplies, but I am sure that this is rare to nonexistent. Now, if the headphone amplifier is located within the active line-stage buffer enclosure, no problems arise; and the isolation signal transformers decouple the external stereo power amplifier's ground from the buffer's ground. Some gain would be welcome by the headphone amplifier, but not much gain. How much? A gain of 3 or 4 would prove adequate.

I went searching for a solid-state, class-A, push-pull design that I came up with long ago, but always impressed me in SPICE simulations. I have toyed with actually making and selling PCBs for it, but have never summoned sufficient will to do so; perhaps, a huge mistake.

 

 

Class-A Push-Pull Headphone Amplifier
The idea behind this headphone amplifier was to use a single-ended FET input buffer to lend some 2nd harmonic enrichment and use robust output transistors that would not seem out-of-place in a 60W power amplifier, so a heavy class-A idle current (250mA per channel) could safely be run. To find the peak class-A voltage swing, we just double the idle current and multiply the product against the headphone's impedance. For example, with 32-ohm headphones, we 8Vpk, which translates into 1W. With the +/-12V power-supply rails, we can get only about 9V peak of output.


Click on schematic for enlargement

After the FET source follower, we encounter single MUR410G rectifier that sets the bias voltage for the output stage; then we see a diamond configuration, then a Darlington cascaded output stage. The DC negative feedback is taken through the 210- and 100-ohm resistors; in contrast, the AC feedback travels through the two 1kµF capacitors from the output to the two common-emitter amplifier stages. These resistors set a gain of 3 (or +9.5dB), which should be enough for most headphones, even with a non-gain line-stage. The two 1-ohm collector resistors are used to measure the idle current. The two shunting rectifiers are there for two reasons; the first is that if the output stage leaves its class-A window of operation, these rectifier will engage and limit the charging of the feedback capacitors; second, they limit the power wasted in the 1-ohm resistors. A DC servo loop completes the amplifier. The servo's OpAmp can be run off the same power-supply rails as the amplifier.

Where things get interesting is that circuit was originally intended to be unity-gain buffer, not an amplifier. I made the changes required to achieve some gain and realized that my poor-man's constant-current source, 2.7k and 2.4k emitter resistors and the bootstrap capacitors, didn't make sense with an amplifier, although they did with a power buffer. I replaced the lot with two constant-current sources. Interestingly enough, the distortion went up, not down. Understand, that SPICE current sources are as good as we can get conceptually and which we never encounter in reality. Still, the distortion went up a tad with the SPICE constant-current sources. A serendipitous discovery this was or was it? I played around with different resistor values and the original values were about as good as it got, but only at low volumes; at high output the distortion was much worse.

Here is the SPICE-generated Fourier graph for the circuit with two transistor-based constant-current sources, as shown in the schematic above.

Note the 3rd, 5th and 7th harmonics.  Next, let's look at the output at 8Vpk into 16-ohm loads, as this is probably as loud as most would ever play. (Long ago, as in 20 years ago, I put on my HD580 headphones and listened to as loud as I could stand, then I hooked a scope measured the peak voltages; the result was about 3Vpk, which only equaled 15mW of power. A 3V peak output voltage swing into 16-ohm headphones equals 281mW; most headphones present a 100mW limit—but then we can buy headphones that require 2W to 5W to dance.)

Not bad. Once again, note the 3rd, 5th and 7th harmonics. It would be interesting to apply this topology to a 16W class-A power amplifier. In addition, I wonder how well power MOSFETs would work in the output stage. As it stands, this headphone amplifier can put out 1W into 8-ohm loads.

 

 

Music Recommendations:Ariel Ramirez's Misa Criolla
Ariel Ramírez (1921 – 2010) was an Argentine composer, who is primarily remembered for his Spanish mass, Misa Criolla, i.e. Creole Mass. I grew up hearing my parents play this piece on a 1965 Philips LP. I loved how exotic and raw it sounded. Decades later, I fell in love with the Philips CD of the great Spanish tenor, José Carreras, singing the lead.

The mass had been domesticated. Gone were the amateur and savage qualities I had enjoyed as a boy, but they were replaced with beautiful solemn dignity and refinement. On truly fine audio systems, you can clearly hear the placements of the singers in a natural 3D perspective.

Tidal offers the José Carreras recording twice, the first being the one one shown above, but you will not find if you search for it under "Misa Criolla;" instead you must search under "José Carreras."  (Tidal hasn't a clue when it comes to classical music.) The second holds this cover.

It turns out that Tidal offers at least 28 covers of this piece.

So far, I have listened to about ten of them. Of course, not all the way through, but I listened long enough to get a sense of the production and the voices. So far, I have enjoyed these three.

All offered vivid sound and solid drum beats, along with South American native instruments. A fourth album that tickled my ears was performed by The Chamberlains, an a cappella singing group. In other words, without instrumental accompaniment, they sing—and quite well .

So far, I like it a lot. As bad as Tidal is when it comes to classical music, it can also prove a godsend. How else would I ever discover these recordings?

//JRB

 

 

 

 

 

    

User Guides for GlassWare Software
Just click on any of the above images to download a PDF of the user guides. By the way, all the links for the PCB user guides shown at the right now work.

 

For those of you who still have old computers running Windows XP (32-bit) or any other Windows 32-bit OS, I have setup the download availability of my old old standards: Tube CAD, SE Amp CAD, and Audio Gadgets. The downloads are at the GlassWare-Yahoo store and the price is only $9.95 for each program.

http://glass-ware.stores.yahoo.net/adsoffromgla.html

So many have asked that I had to do it.

WARNING: THESE THREE PROGRAMS WILL NOT RUN UNDER VISTA 64-Bit or WINDOWS 7 & 8 or any other 64-bit OS.

I do plan on remaking all of these programs into 64-bit versions, but it will be a huge ordeal, as programming requires vast chunks of noise-free time, something very rare with children running about. Ideally, I would love to come out with versions that run on iPads and Android-OS tablets.

 

//JRB

 

   

 

 

 

John Gives

Special Thanks to the Special 67


To all my patrons, all 68 of them, thank you all again. I want to especially thank

Concordio Anacleto

Andrew Rintoul

Jason Stoddard

Kelvin Tyler

Kuldeep

I am truly stunned and appreciative of their support.

In addition I want to thank

John Atwood

Hal Clark

Eduardo Fayad

Mike Galusha

Erik Hoel

Neil Kovacs

Paul Reid

Marty Reiss

Paulo Mario dos Santos Dias de Moraes

James Tiemann

All of your support makes a big difference. I would love to arrive at the point where creating my posts was my top priority of the day, not something that I have to steal time from other obligations to do. The more support I get, the higher up these posts move up in deserving attention.

Only those who have produced a technical white paper or written an article on electronics know just how much time and effort is required to produce one of my posts, as novel circuits must be created, SPICE simulations must be run, schematics must be drawn, and thousands of words must be written.

If you have been reading my posts, you know that my lifetime goal is reaching post 1,000. I have 565 more to go.

My second goal is to gather 1,000 patrons. I have 933 patrons to go. Help me get there.

 


Only $12.95
to keep track of your
tube and part collection

TCJ My-Stock DB

TCJ My-Stock DB helps you know just what you have, what it looks like, where it is, what it will be used for, and what it's worth. TCJ My-Stock DB helps you to keep track of your heap of electronic parts. More details.

Version 2 Improvements
  
List all of your parts in one DB.
    Add part Images.
    One-click web searches for part information.
    Vertical and horizontal grids.*
    Create reports as PDFs.*
    Graphs added 2D/3D: pie & bar.*
    More powerful DB search.
    Help system added.
    Editable drop-down lists for location, projects,         brands, styles, vendors and more.

     *User definable

Download for
XP to Win 10

For more information, please visit:

           www.glass-ware.com
 
www.tubecad.com           Copyright © 1999-2018 GlassWare           All Rights Reserved